en:hiq_hw:fc-1-iq
Table of Contents
Fan-coil controller
relay outputs for 3 speed fan and valves
| Model number: | FC-1-IQ |
|---|---|
| Mounting: | in-field, inside fan-coil, junction box or dry-wall |
| Dimensions: | 108×86×45.5mm |
Applications
- fan-coil control
- 3 speed ceiling fans
- radiator
- floor heating
Features
- simple configuration
- flexible: for various types of convectors and valves
- fallback mode: ensure operation even when bus is broken
Safety standards
EN 50081-1, EN 61000-6-2, EN 60730-1, EN 60730-2-1
General description
FC-1-IQ is main actuator for TH units. It can drive fully featured fan-coils for wide range of convectors with electromechanical valves and 3 speed fan motor It can be used for controlling practically any heating/cooling system including: hot-water radiator valve, ceiling fan, ceiling/floor heating valve, electrical radiator power relay and AC’s.
Technical specification
| Relay outputs: | 3A/250V |
| Temperature measurement | external sensor ES or ES-A |
| Power supply: | 24V/45mA |
| Operating temperature: | 0..45°C |
| Storage temperature: | -20..75°C |
| Relative humidity: | 0..95% n/c |
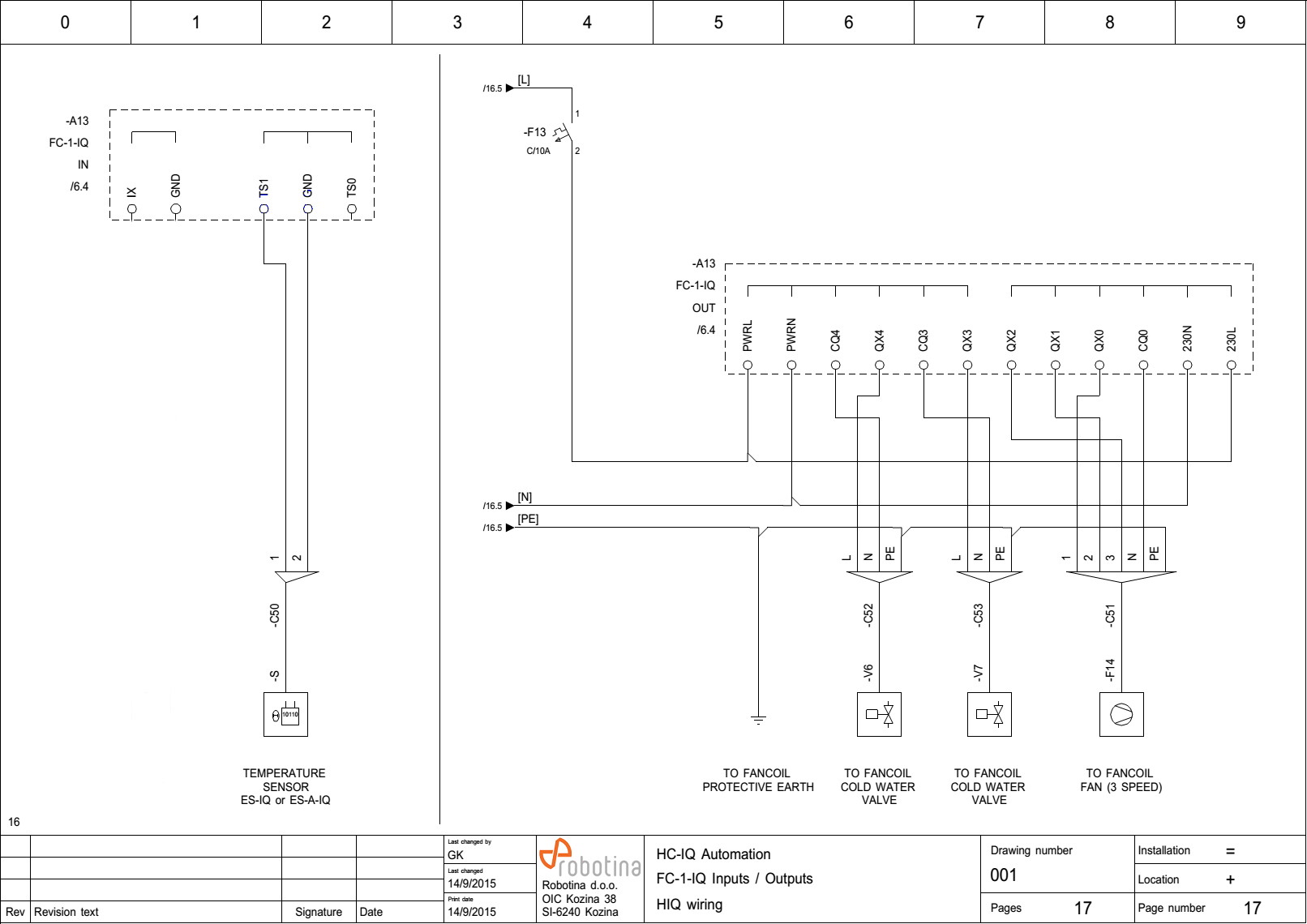
Terminals
| Valves power supply - Live | PWRL | QX3 & QX4 common |
|---|---|---|
| Valves power supply - Neutral | PWRN | CQ3 & CQ4 common |
| Cold water valve - Neutral | CQ4 | Neutral output (directly connected to PWRN) |
| Cold water valve - Live | QX4 | Relay output |
| Hot water valve - Neutral | CQ3 | Neutral output (directly connected to PWRN) |
| Hot water valve - Live | QX3 | Relay output |
| Fan - 3rd speed | QX2 | Relay output |
| Fan - 2nd speed | QX1 | Relay output |
| Fan - 1st speed | QX0 | Relay output |
| Fan - Neutral | CQ0 | Neutral output (directly connected to PWRN) |
| Fan power supply - Live | 230N | CQ0 common |
| Fan power supply - Neutral | 230L | QX0 - QX2 common |
| Not used | IX | Digital input |
| Not used | GND | Digital input common |
| External temperature sensor 2 input | TS1 | Temperature sensor ES / ES-A input |
| External temperature sensor GND (common) | GND | Temperature sensors common |
| External temperature sensor 1 input | TS0 | Temperature sensor ES / ES-A input |
| IEX2 bus | GND | IEX2 bus |
| CANL | ||
| CANH | ||
| +24V | ||
When installing: “Autoaddress” button will link FC-1-IQ unit with lowest serial number with thermostat with lowest serial number and so on.
en/hiq_hw/fc-1-iq.txt · Last modified: by goran.kocjancic
